
三偏心多层次硬密封法兰蝶阀概述:
三偏心多层次硬密封法兰蝶阀系列产品,系长寿命、节能型蝶阀。其结构采用三维编心原理设计,阀座采用硬软密封兼容的多层次结构,加工精湛,工艺先进。本产品由阀体、蝶板、多层次阀座、阀杆、传动机构等主要部件组成。因此被广泛地应用到冶金、电力、石油、化工、空气、煤气、可燃气体以及给排水等腐蚀性介质的管道上。
特点
由于本产品蝶阀采用的是三维偏心原理设计,使密封面的空间运动轨迹达到理想化,密封面相互之间无磨擦、无干涉、加之密封材料选择得当,从而使蝶阀的密封性、耐腐蚀性、耐高温性和耐磨性等得到了可靠的保证。其主要特点如下:
1、开启力矩小,灵活方便,省力节能。
2、三维编心结构,使蝶板越关越紧,其密封性能可靠,达到无泄漏。
3、耐高压、耐腐蚀、耐磨损、使用寿命长等。
采用标准
设计标准 :GB/T12238-1989;JB/T8527-1997
法兰连接尺寸:
GB/T9113.1-2000;GB/T9113.2-2000
GB/T9115.1-2000;GB/T9115.2-2000
结构长度:GB/T12221-1989
压力试验:GB/T13927-1992;JB/T9092-1999
主要技术参数
|
公称通径 |
DN(mm) |
50~2000 |
50~500 |
|
公称压力 |
PN(MPa) |
0.6 |
1.0 |
1.6 |
2.5 |
4.0 |
|
试验压力 |
强度试验 |
0.9 |
1.5 |
2.4 |
3.75 |
6.0 |
|
密封试验 |
0.66 |
1.1 |
1.76 |
2.75 |
4.4 |
|
气密封试验 |
0.6 |
0.6 |
0.6 |
0.6 |
0.6 |
|
渗漏率 |
<0.1×DNmm3/s(符合GB/T13927-92标准) |
|
适用温度 |
碳钢:-29℃~425℃ 不锈钢-40℃~600℃ |
|
适用介质 |
空气、水、蒸气、煤气、油品以及酸、碱、盐带有弱腐蚀性介质等 |
|
驱动形式 |
蜗杆蜗轮传动、气传动、电传动 | |
主要零件的材质
|
零件名称 |
材料 |
|
阀体 |
铸铁、不锈钢、铬钼钢、合金钢 |
|
蝶板 |
铸钢、合金钢、不锈钢、铬钼钢 |
|
密封圈 |
不锈钢与耐高温石棉板组合成多层次 |
|
阀杆 |
2Cr13、1Cr13不锈钢、铬钼钢 |
|
轴承 |
奥氏体不锈钢、304氮化 |
|
填料 |
柔性石墨 | |
|
三偏心特点及原理
1、偏离管道中心 2、偏离密封面中心 3、倾斜的锥形
当阀门开启时,蝶板与阀座在关闭时瞬间接触,利用蝶板偏心1、偏心2迅速脱离阀座,降低了密封副的磨损,磨擦力矩小,开启灵活。偏心锥面3,使阀门在开启或关闭时蝶板能通过阀座内孔,实现接触密封。另外,锥形蝶板的旋转半径大于密封副接触位置的旋转半径,故蝶板在阀门关闭时将出现越关越紧,能够实现自锁,防止蝶板过位。
|
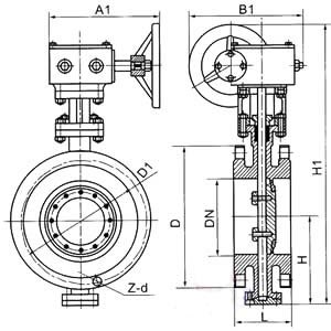
 | 外形尺寸
 |
 |
|
Dd |
3 |
43H- |
6 |
C.P.R.V系列法兰式多层次金属硬密封蝶阀 |
| 6 |
| 9 |
10 |
|
公称通径 |
长度 标准值 |
外形尺寸 (参考值) |
连接尺寸 (标准值) |
重量 (kg) |
|
L |
H |
Dd343H |
Dd643H |
Dd943H |
PN0.6MPa |
PN1.0MPa |
|
毫米 |
英寸 |
短 |
长 |
H1 |
A1 |
B1 |
H2 |
A2 |
B2 |
H3 |
A3 |
B3 |
D |
D1 |
Z-d |
D |
D1 |
Z-d |
|
50 |
2 |
108 |
150 |
112 |
350 |
180 |
200 |
625 |
245 |
72 |
530 |
250 |
255 |
140 |
110 |
4-14 |
165 |
125 |
4-18 |
17 |
|
65 |
21/2 |
112 |
170 |
115 |
370 |
180 |
200 |
625 |
245 |
72 |
530 |
250 |
255 |
160 |
130 |
4-14 |
185 |
145 |
4-18 |
20 |
|
80 |
3 |
114 |
180 |
120 |
380 |
180 |
200 |
645 |
245 |
72 |
565 |
250 |
255 |
190 |
150 |
4-18 |
200 |
160 |
8-18 |
23 |
|
100 |
4 |
127 |
190 |
138 |
420 |
180 |
200 |
675 |
355 |
92 |
600 |
250 |
255 |
210 |
170 |
4-18 |
220 |
180 |
8-18 |
25 |
|
125 |
5 |
140 |
200 |
164 |
460 |
180 |
200 |
715 |
355 |
92 |
640 |
250 |
255 |
240 |
200 |
8-18 |
250 |
210 |
8-18 |
40 |
|
150 |
6 |
140 |
210 |
175 |
555 |
270 |
280 |
800 |
355 |
92 |
705 |
300 |
315 |
265 |
225 |
8-18 |
285 |
240 |
8-22 |
47 |
|
200 |
8 |
152 |
230 |
200 |
760 |
400 |
425 |
850 |
250 |
170 |
775 |
300 |
315 |
320 |
280 |
8-18 |
340 |
295 |
8-22 |
60 |
|
250 |
10 |
165 |
250 |
243 |
830 |
400 |
425 |
925 |
250 |
170 |
945 |
300 |
315 |
375 |
335 |
12-18 |
395 |
350 |
12-22 |
95 |
|
300 |
12 |
178 |
270 |
250 |
895 |
450 |
560 |
1035 |
450 |
220 |
1070 |
300 |
315 |
400 |
395 |
12-22 |
445 |
400 |
12-22 |
124 |
|
350 |
14 |
190 |
290 |
280 |
950 |
450 |
560 |
1070 |
450 |
220 |
1140 |
300 |
315 |
490 |
445 |
12-22 |
505 |
460 |
16-22 |
181 |
|
400 |
16 |
216 |
310 |
305 |
1190 |
535 |
580 |
1190 |
450 |
220 |
1210 |
300 |
315 |
540 |
495 |
16-22 |
565 |
515 |
16-26 |
260 |
|
450 |
18 |
222 |
330 |
350 |
1255 |
535 |
580 |
1250 |
650 |
280 |
1335 |
575 |
714 |
595 |
550 |
16-22 |
615 |
565 |
20-26 |
338 |
|
500 |
20 |
229 |
350 |
380 |
1305 |
535 |
580 |
1290 |
650 |
280 |
1415 |
575 |
714 |
645 |
600 |
20-22 |
670 |
620 |
20-26 |
360 |
|
600 |
24 |
267 |
390 |
445 |
1340 |
570 |
660 |
1455 |
850 |
380 |
1605 |
656 |
810 |
755 |
705 |
20-26 |
780 |
725 |
20-30 |
540 |
|
700 |
28 |
292 |
430 |
480 |
1520 |
750 |
550 |
1585 |
850 |
380 |
1844 |
656 |
810 |
860 |
810 |
24-26 |
895 |
840 |
24-30 |
580 |
|
800 |
32 |
318 |
470 |
530 |
1710 |
750 |
550 |
1700 |
1250 |
380 |
2040 |
656 |
810 |
975 |
920 |
24-30 |
1015 |
950 |
24-33 |
845 |
|
900 |
36 |
330 |
510 |
580 |
1810 |
750 |
550 |
1965 |
1250 |
380 |
2255 |
785 |
863 |
1075 |
1020 |
24-30 |
1115 |
1050 |
28-33 |
1050 |
|
1000 |
40 |
410 |
550 |
650 |
1960 |
900 |
750 |
2015 |
1250 |
380 |
2380 |
785 |
863 |
1175 |
1120 |
28-30 |
1230 |
1160 |
28-36 |
1500 |
|
1200 |
48 |
470 |
630 |
760 |
2250 |
1000 |
925 |
2250 |
1250 |
380 |
2640 |
785 |
863 |
1405 |
1340 |
32-33 |
1455 |
1380 |
32-39 |
2000 |
|
1400 |
56 |
530 |
710 |
850 |
2435 |
1000 |
925 |
|
|
|
2886 |
|
|
1630 |
1560 |
36-36 |
1675 |
1590 |
36-42 |
3000 |
|
1600 |
64 |
600 |
790 |
1030 |
2780 |
1000 |
925 |
|
|
|
3156 |
|
|
1830 |
1760 |
40-36 |
1915 |
1820 |
40-48 |
4700 |
|
1800 |
72 |
670 |
870 |
1230 |
3020 |
1100 |
980 |
|
|
|
3421 |
|
|
2045 |
1970 |
44-39 |
2115 |
2020 |
44-48 |
6500 |
|
2000 |
80 |
760 |
950 |
1350 |
3270 |
1100 |
980 |
|
|
|
3685 |
|
|
2265 |
2180 |
48-42 |
2325 |
2230 |
48-48 |
8700 | |
|
Dd |
|
43H- |
|
C.P.R.V系列法兰式多层次金属硬密封蝶阀 |
|
公称通径 |
长度 标准值 |
外形尺寸 (参考值) |
连接尺寸 (标准值) |
重量 (kg) |
|
L |
H |
Dd343H |
Dd643H |
Dd943H |
PN1.6MPa |
PN2.5MPa |
|
毫米 |
英寸 |
短 |
长 |
H1 |
A1 |
B1 |
H2 |
A2 |
B2 |
H3 |
A3 |
B3 |
D |
D1 |
Z-d |
D |
D1 |
Z-d |
|
50 |
2 |
108 |
150 |
112 |
350 |
180 |
200 |
625 |
245 |
72 |
530 |
250 |
255 |
165 |
125 |
4-18 |
165 |
125 |
4-18 |
19 |
|
65 |
21/2 |
112 |
170 |
115 |
370 |
180 |
200 |
625 |
245 |
72 |
530 |
250 |
255 |
185 |
145 |
4-18 |
185 |
145 |
8-18 |
22 |
|
80 |
3 |
114 |
180 |
120 |
380 |
180 |
200 |
645 |
245 |
72 |
565 |
250 |
255 |
200 |
160 |
8-18 |
200 |
160 |
8-18 |
25 |
|
100 |
4 |
127 |
190 |
138 |
420 |
180 |
200 |
675 |
355 |
92 |
600 |
250 |
255 |
220 |
180 |
8-18 |
235 |
190 |
8-22 |
28 |
|
125 |
5 |
140 |
200 |
164 |
460 |
180 |
200 |
715 |
355 |
92 |
640 |
250 |
255 |
250 |
210 |
8-18 |
270 |
220 |
8-26 |
43 |
|
150 |
6 |
140 |
210 |
175 |
555 |
270 |
280 |
800 |
355 |
92 |
705 |
300 |
315 |
285 |
240 |
8-22 |
300 |
250 |
8-26 |
50 |
|
200 |
8 |
152 |
230 |
200 |
760 |
400 |
425 |
850 |
250 |
170 |
775 |
300 |
315 |
340 |
295 |
12-22 |
360 |
310 |
12-26 |
64 |
|
250 |
10 |
165 |
250 |
243 |
830 |
400 |
425 |
925 |
250 |
170 |
945 |
300 |
315 |
405 |
355 |
12-26 |
425 |
370 |
12-30 |
99 |
|
300 |
12 |
178 |
270 |
250 |
895 |
450 |
560 |
1035 |
450 |
220 |
1070 |
300 |
315 |
460 |
410 |
12-26 |
485 |
430 |
16-30 |
130 |
|
350 |
14 |
190 |
290 |
280 |
950 |
450 |
560 |
1070 |
450 |
220 |
1140 |
300 |
315 |
520 |
470 |
16-26 |
555 |
490 |
16-33 |
188 |
|
400 |
16 |
216 |
310 |
305 |
1190 |
535 |
580 |
1190 |
450 |
220 |
1210 |
300 |
315 |
580 |
525 |
16-30 |
620 |
550 |
16-36 |
270 |
|
450 |
18 |
222 |
330 |
350 |
1255 |
535 |
580 |
1250 |
650 |
280 |
1335 |
575 |
714 |
640 |
585 |
20-30 |
670 |
600 |
20-36 |
350 |
|
500 |
20 |
229 |
350 |
380 |
1305 |
535 |
580 |
1290 |
650 |
280 |
1415 |
575 |
714 |
715 |
650 |
20-33 |
730 |
660 |
20-36 |
375 |
|
600 |
24 |
267 |
390 |
445 |
1340 |
570 |
660 |
1455 |
850 |
380 |
1605 |
656 |
810 |
840 |
770 |
20-36 |
845 |
770 |
20-39 |
560 |
|
700 |
28 |
292 |
430 |
480 |
1520 |
750 |
550 |
1585 |
850 |
380 |
1844 |
656 |
810 |
910 |
840 |
24-36 |
960 |
875 |
24-42 |
610 |
|
800 |
32 |
318 |
470 |
530 |
1710 |
750 |
550 |
1700 |
1250 |
380 |
2040 |
656 |
810 |
1025 |
950 |
24-39 |
1085 |
990 |
24-48 |
880 |
|
900 |
36 |
330 |
510 |
580 |
1810 |
750 |
550 |
1865 |
1250 |
380 |
2255 |
785 |
863 |
1125 |
1050 |
28-39 |
1185 |
1090 |
28-48 |
1100 |
|
1000 |
40 |
410 |
550 |
650 |
1960 |
900 |
750 |
2015 |
1250 |
380 |
2380 |
785 |
863 |
1255 |
1170 |
28-42 |
1320 |
1210 |
28-56 |
1600 |
|
1200 |
48 |
470 |
630 |
760 |
2250 |
1000 |
925 |
2250 |
1250 |
380 |
2640 |
785 |
863 |
1485 |
1390 |
32-48 |
1530 |
1420 |
32-56 |
2150 |
|
1400 |
56 |
530 |
710 |
850 |
2435 |
1000 |
925 |
|
|
|
2886 |
|
|
1685 |
1590 |
36-48 |
1755 |
1640 |
36-62 |
3200 |
|
1600 |
64 |
600 |
790 |
1030 |
2780 |
1000 |
925 |
|
|
|
3156 |
|
|
1930 |
1820 |
40-56 |
1975 |
1860 |
40-62 |
5000 |
|
1800 |
72 |
670 |
870 |
1230 |
3020 |
1100 |
980 |
|
|
|
3421 |
|
|
2130 |
2020 |
44-56 |
2195 |
2070 |
44-70 |
6900 |
|
2000 |
80<, /DIV> |
760 |
950 |
1350 |
3270 |
1100 |
980 |
|
|
|
3685 |
|
|
2345 |
2230 |
48-62 |
2425 |
2300 |
48-70 |
9100 | |
|
| Dd |
|
43H- |
40C.P.R.V系列法兰式多层次金属硬密封蝶阀 |
|
公称通径 |
结构长度 (标准值) |
外形尺寸 (参考值) |
连接尺寸 (标准值) |
|
L |
H |
Dd343H |
Dd643H |
Dd943H |
PN4.0MPa |
|
毫米 |
英寸 |
短 |
长 |
H1 |
|
B1 |
H2 |
A2 |
B2 |
H3 |
A3 |
B3 |
D |
D1 |
Z-d |
|
50 |
2 |
108 |
150 |
112 |
350 |
180 |
200 |
625 |
250 |
170 |
530 |
250 |
255 |
165 |
125 |
4-18 |
|
65 |
21/2 |
112 |
170 |
115 |
370 |
270 |
280 |
625 |
250 |
170 |
530 |
250 |
255 |
185 |
145 |
8-18 |
|
80 |
3 |
114 |
180 |
120 |
380 |
270 |
280 |
645 |
250 |
170 |
565 |
250 |
255 |
200 |
160 |
8-18 |
|
100 |
4 |
127 |
190 |
138 |
420 |
270 |
280 |
675 |
250 |
170 |
600 |
250 |
255 |
235 |
190 |
8-22 |
|
125 |
5 |
140 |
200 |
164 |
460 |
380 |
420 |
715 |
450 |
220 |
640 |
250 |
255 |
270 |
220 |
8-26 |
|
150 |
6 |
140 |
210 |
175 |
555 |
380 |
420 |
800 |
450 |
220 |
705 |
300 |
315 |
300 |
250 |
8-26 |
|
200 |
8 |
152 |
230 |
200 |
760 |
400 |
425 |
850 |
450 |
220 |
775 |
300 |
315 |
375 |
320 |
12-30 |
|
250 |
10 |
165 |
250 |
243 |
830 |
400 |
425 |
925 |
450 |
280 |
945 |
300 |
315 |
450 |
385 |
12-33 |
|
300 |
12 |
178 |
270 |
250 |
895 |
450 |
560 |
1035 |
650 |
280 |
1070 |
300 |
315 |
515 |
450 |
16-33 |
|
350 |
14 |
190 |
290 |
280 |
950 |
450 |
560 |
1070 |
650 |
280 |
1140 |
300 |
315 |
580 |
510 |
16-36 |
|
400 |
16 |
216 |
210 |
305 |
1190 |
535 |
580 |
1190 |
650 |
280 |
1210 |
300 |
315 |
660 |
585 |
16-39 |
|
450 |
18 |
222 |
330 |
350 |
1255 |
535 |
580 |
|
|
|
1335 |
575 |
714 |
685 |
610 |
20-39 |
|
500 |
20 |
229 |
350 |
380 |
1305 |
535 |
580 |
|
|
|
1415 |
575 |
714 |
755 |
670 |
20-42 | |
|
注:法兰标准:GB/T9113.1-2000 GB/T911.5.1-2000 用户注意:表中H1、H2、H3尺寸均可根据用户需要加长(长杆蝶阀),若需特殊材料定货时提出。 注:Dd-代表多层次密封结构 | | |